DC-DC Step Down Converter 3A Ultra Mini-360 (4.75V~23Vdc to 1V~17Vdc)
The Mini360 is a small but efficient buck converter module built around the MP2307 from Monolithic Power. This Module is capable of outputting an adjustable DC voltage of 1-17V range, with an input voltage range of 4.75-23V DC. It has a maximum surge current of 3A, while the recommended maximum continuous current is 1.8A. The Output voltage can be adjusted using the onboard potentiometer.
Features and Specifications
- MPS MP2307DN buck regulator IC
- 4.75 – 23VDC input voltage
- 1.0 – 17VDC selectable output voltage
- 3A surge current, 1.8A continuous rated current
- Maximum conversion efficiency of 95% (5Vin, 3.3Vout ~200mA output)
- 340kHz switching frequency
- 30mV no-load output ripple
- 0.5% load regulation
- 2.5% voltage regulation
- -40 to +85°C operational temperature range
- Built-in 160°C thermal shutdown
- Dimensions 17x11x3.8mm
Mini360 Module Pinout Configuration
This module is small in size and has only input and output pins. It also consists of an output-adjustable potentiometer. The table below shows the pin configuration of the Mini360 buck module.
|
Pin Type |
Pin Description |
|
IN + |
Positive Input Voltage Terminal |
|
IN – |
Negative Input Voltage Terminal |
|
OUT + |
Positive Output Voltage Terminal |
|
OUT – |
Negative Output Voltage Terminal |
Note: The onboard potentiometer can be used to regulate the output voltage; it boosts up the output voltage when rotated clockwise whereas, bucks the output voltage when rotated counterclockwise.
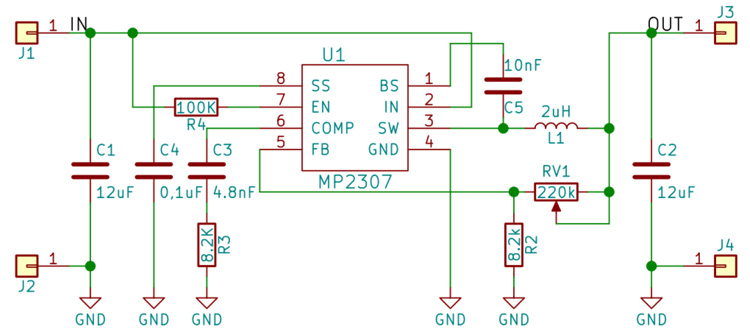
Functional Circuit Diagram for Mini360 DC-DC Buck Converter Module
The image below shows a basic configuration or the functional circuit of the module. The MP2307 is used as the main switching regulator on the board. The role of a buck converter is to lower the voltage level. The operation of the circuit depends upon the state of the switching regulator.
Applications
Here are some of the applications of the Mini360 buck converter module.
- Distributed power supply
- Automotive systems
- Industrial power systems
- Robotics
- Toy cars
- DIY Circuits








Reviews
There are no reviews yet.