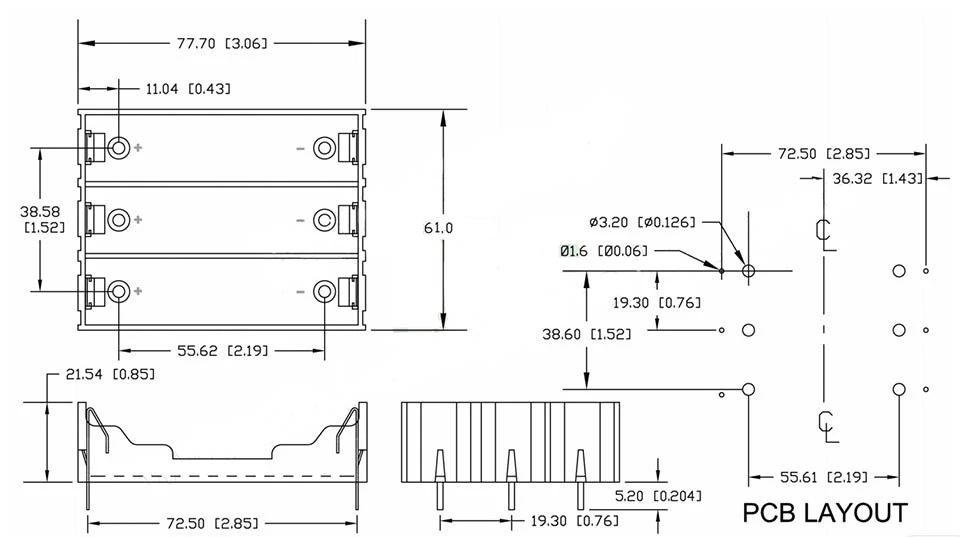
The 3-slot 18650 Battery Case With Pins can be used in a variety of applications such as building a flashlight or simply connecting the pins to leads in electronic projects. The battery case can be connected in series or parallel.
Specifications:
- Battery Cell Size: 18650
- Voltage: 3.7V
- Number of Cells: 3
- Mounting Type: PCB, Through Hole




Reviews
There are no reviews yet.