7421 Dual 4-Input AND Gates 7V 2.2A IC PDIP-14
7421 A compact dual-gate TTL IC that implements two independent 4-input AND functions—used for multi-signal gating, enable logic and simple combinational logic.
20.00 EGP
Buy Now7421 Dual 4-Input AND Gates 7V 2.2A IC PDIP-14
The 7421 (GD74LS21 / SN74LS21 family) contains two independent positive-AND gates, each with four inputs. Each gate produces a HIGH only when all four inputs on that gate are HIGH, letting designers combine multiple control or sensor signals into a single logic enable or decision line. The device is part of the 74LS (Low-power Schottky TTL) family and is pin-compatible with standard 14-pin DIP/SOIC packages, so it’s easy to drop into breadboards, PCBs or existing TTL designs.
Because it’s a TTL LS device, the GD74LS21 is optimized for direct interfacing with other TTL/CMOS logic while offering reasonable output drive for typical logic loads. Typical uses include gating multiple control signals (interrupt enables, chip-select gating), building simple combinational logic without a microcontroller, glue logic between subsystems, or extending bus control where multiple conditions must be true before an action occurs. The part is widely available in PDIP, SOIC and other package options, and is characterized for standard commercial temperature ranges.
Features:
- Two independent 4-input positive AND gates.
- TTL (Low-power Schottky, “LS”) logic family.
- Inputs are pulled/biased to TTL levels and outputs are buffered.
- Directly interfaces with other TTL and common CMOS logic.
- Multiple package option (PDIP).
- Simple single-supply 5V logic operation.
Specifications:
| SYMBOL | PARAMETER | TEST CONDITIONS | MIN (Note 1) | TYP | MAX | UNIT | |
|---|---|---|---|---|---|---|---|
| Vih | High-level input voltage | 2 | V | ||||
| Vil | Low-level input voltage | 54 | 0.7 | V | |||
| Vil | Low-level input voltage | 74 | 0.8 | V | |||
| Vik | Input clamp voltage | Vcc=Min, Ii=−18mA | -1.5 | V | |||
| Voh | High-level output voltage | Vcc=Min, Ioh=Max, Vih=Min | 54 | 2.5 | 3.4 | V | |
| Voh | High-level output voltage | 74 | 2.7 | 3.4 | V | ||
| Vol | Low-level output voltage | Vcc=Min Iol=4mA | 54, 74 | 0.25 | 0.4 | V | |
| Vol | Low-level output voltage | Vil=Max Iol=8mA | 74 | 0.35 | 0.5 | V | |
| Ii | Input current at maximum input voltage | Vcc=Max, Vi=7V | 0.1 | mA | |||
| Iih | High-level input current | Vcc=Max, Vi=2.7V | 20 | μA | |||
| Iil | Low-level input current | Vcc=Max, Vi=0.4V | -0.4 | mA | |||
| Ios | Short-circuit output current | Vcc=Max | -20 | -100 | mA | ||
| Icch | Supply current | Total with outputs high | Vcc=Max | 1.2 | 2.4 | mA | |
| Iccl | Supply current | Total with outputs low | Vcc=Max | 2.2 | 4.4 | mA |
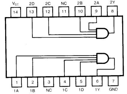
Pinout:
| Pin | Name | Description |
|---|---|---|
| 1 | A1 | Gate 1 input A |
| 2 | B1 | Gate 1 input B |
| 3 | NC | No connection |
| 4 | C1 | Gate 1 input C |
| 5 | D1 | Gate 1 input D |
| 6 | Y1 | Gate 1 output |
| 7 | GND | Ground |
| 8 | Y2 | Gate 2 output |
| 9 | A2 | Gate 2 input A |
| 10 | B2 | Gate 2 input B |
| 11 | NC | No connection |
| 12 | C2 | Gate 2 input C |
| 13 | D2 | Gate 2 input D |
| 14 | VCC | +5V supply |
Applications:
- Glue logic and combinational gating (chip-selects, enables).
- Interrupt masking and multi-condition control.
- Simple hardware decision logic (safety interlocks, sensor aggregation).
- TTL/legacy system repair and prototyping.
- Educational electronics and breadboard prototyping.
Packages:
- 1x 7421 Dual 4-Input AND Gates 7V 2.2A IC PDIP-14.
Documents:
Only logged in customers who have purchased this product may leave a review.




Reviews
There are no reviews yet.