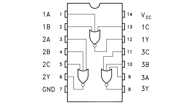
Pinout Configuration
| Pin # | Type | Description |
|---|---|---|
| 1 | Input | Input to the first NOR gate. |
| 2 | Input | Input to the first NOR gate. |
| 3 | Input | Input to the second NOR gate. |
| 4 | Input | Input to the second NOR gate. |
| 5 | Input | Input to the second NOR gate. |
| 6 | Output | Output from the second NOR gate. |
| 7 | Power | Connect to ground (GND). |
| 8 | Output | Output from the third NOR gate. |
| 9 | Input | Input to the third NOR gate. |
| 10 | Input | Input to the third NOR gate. |
| 11 | Input | Input to the third NOR gate. |
| 12 | Output | Output from the first NOR gate. |
| 13 | Input | Input to the first NOR gate. |
| 14 | Power | Positive power supply (VCC). Connect to +5V power. |
What does the 74HC27 / 74LS27 do?
The 74×27 gives you three 3-input NOR gates.
A NOR gate is a logic gate that outputs 1 (HIGH) if all of its inputs are 0 (LOW). Therefore, if you input a HIGH in any of the inputs, the output will become LOW. Otherwise, the output will be HIGH.

Truth Table for the 3-input NOR gate
| Input A | Input B | Input C | Output Q |
|---|---|---|---|
| 0 | 0 | 0 | 1 |
| 0 | 0 | 1 | 0 |
| 0 | 1 | 0 | 0 |
| 0 | 1 | 1 | 0 |
| 1 | 0 | 0 | 0 |
| 1 | 0 | 1 | 0 |
| 1 | 1 | 0 | 0 |
| 1 | 1 | 1 | 0 |
Specifications
| Parameter | Description |
| IC Type | Triple 3-Input NOR Gate |
| Logic Family | TTL |
| Datasheet | 7427 |
| Number of Gates | 3 |
| Inputs per Gate | 3 |
| Logic Function | NOR (NOT-OR) |
| Operating Voltage (Vcc) | 4.75V – 5.25V |
| Input High Voltage (VIH) (min) | 2.0V |
| Input Low Voltage (VIL) (max) | 0.8V |
| Output High Voltage (VOH) (min) | 2.7V |
| Output Low Voltage (VOL) (max) | 0.4V |
| Propagation Delay (typ) | 15 nsec |
| Power Dissipation | 10 mW per gate |
| Operating Temperature Range | 0°C to +70°C |
| Package Type | DIP-14 |
| Mounting Type | Through Hole |
| Pin Count | 14 Pins |
| Technology | TTL – Transistor-Transistor Logic |
How To Use This Chip
The 74HC27 comes in a 14-pin package, and you need to connect it to power before you can use it. Most 7400 ICs support a VCC voltage of 5V. One difference between the HC and LS version of the chip is that the 74HC27 supports 2V to 6V, while the 74LS27 only supports 5V.
The maximum current you can pull out of one output pin is 4 mA when the pin is high (sourcing) or 16 mA when the pin is low (sinking). This can differ between models, so check the datasheet of your model to verify.
Once you’ve connected it to power, you can use any of the three 3-input NOR gates inside.
The 74HC27/74LS27 IC connected to power

Applications
- Digital logic and control circuits.
- Combinational logic design and implementation.
- Signal inversion and logic level control.
- Data processing and timing circuits.
- Logic decoders and encoders.
- Arithmetic and logic unit (ALU) designs.
- Digital system design and testing.
- Interface and control modules in embedded systems.
Package Contents
- 1 x 7427 Triple 3-Input NOR Gate IC DIP-14




Reviews
There are no reviews yet.