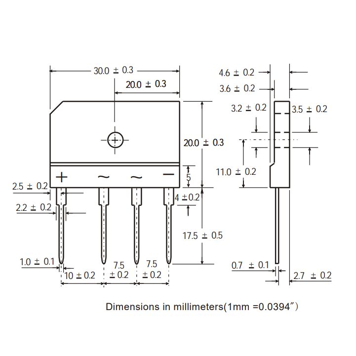
KBJ2510 Bridge Rectifier 1000V 25A
The KBJ2510 is a robust single-phase bridge rectifier designed for high-current applications requiring efficient AC to DC conversion. With a maximum repetitive peak reverse voltage of 1000V and an average forward current of 25A (with heatsink), it is suitable for demanding power supply designs. Its glass passivated chip junction ensures high reliability and stability under thermal stress. The KBJ2510 features a compact KBJ-2 package, facilitating easy integration into various electronic assemblies.
This rectifier is ideal for use in computing power supplies, server power units, and home appliance power boards, offering high surge current capability and low reverse leakage current. Its compliance with RoHS and halogen-free standards makes it an environmentally friendly choice for modern electronic designs.
Features:
- Plastic package has Underwriters Laboratory Flammability Classification 94V-0.
- High case dielectric strength of 1500VRMS. Ideal for printed circuit boards.
- High surge current capability up to 240A.
Specifications:
| Parameter | Symbol | Value | unit |
| Maximum repetitive peak reverse voltage | VRRM | 1000 | V |
| Maximum RMS voltage | VRMS | 700 | V |
| Maximum DC blocking voltage | VDC | 1000 | V |
| Maximum average forward rectified output current at TC=100°C | IF(AV) | 15 | A |
| Peak forward surge current 8.3 ms single sine-wave | IFSM | 350 | A |
| Rating for fusing when t<8.3ms | I²t | 120 | A²Sec |
| Maximum thermal resistance per leg | ReJA | 2.6(2) 5 (1) |
°C/W |
| Operating junction and storage temperature range | TJ, TSTG | -55 to + 150 | °C |
Mechanical Data:
- Case: Molded plastic body over passivated junctions
- Polarity: Symbols molded or marked on body
Applications:
- Computing and desktop power supplies.
- Server and networking equipment.
- Home appliance power boards.
- Air conditioner outdoor units.
- High-efficiency power conversion systems.
Package Contents:
- 1x KBJ2510 Bridge Rectifier 25A 1000V


