TOP234Y N-channel Power MOSFET Transistor 700V 2.4A TO-220-7B
The TOP234Y (TOPSwitch-FX family) combines a high-voltage, high-performance N-channel MOSFET with the controller, protection logic and startup circuitry on a single monolithic IC. This integration reduces external component count, improves reliability and enables designs with higher switching frequency (default 132 kHz, selectable 66 kHz in the Y package) and advanced features such as soft-start, frequency jittering, programmable current limit, line OV/UV detection and cycle-skipping for ultra-low no-load power.
The device supports robust protection (auto-restart, hysteretic thermal shutdown, SOA limits) and is specified for offline AC-DC flyback topologies and similar applications.
Features:
- Integrated high-voltage N-channel MOSFET + PWM controller (single-chip solution).
- Default switching frequency 132 kHz; 66 kHz selectable via FREQUENCY pin (Y package).
- Fully integrated soft-start (≈10 ms) and frequency jittering to reduce EMI.
- Programmable MULTI-FUNCTION (M) pin: OV/UV, line feed-forward/DCMAX reduction, external current-limit programming, remote ON/OFF, synchronization.
- Cycle-skipping for very low no-load consumption (EcoSmart behavior).
- On-chip protections: over-current, over-voltage, over-temperature (hysteretic), auto-restart, and safe-operating-area control.
- Higher DCMAX (typical 78%) for improved power capability and smaller input caps.
Specifications:
| Parameter | Specification |
|---|---|
| Part number: | TOP234Y (TOPSwitch-FX family) |
| Device type: | Integrated off-line PWM controller with internal N-channel power MOSFET |
| Package: | TO-220-7B (Y package) |
| Drain-Source Breakdown (VDSS): | Up to 700 V (DRAIN pin rating: −0.3 to 700 V absolute max) |
| Drain peak current (device limit): | TOP234: up to 2.4 A |
| Switching frequency: | 132 kHz nominal (F tied to SOURCE); 66 kHz option (F tied to CONTROL) |
| Frequency jitter: | ± ~4 kHz at ~250 Hz — reduces EMI |
| Maximum duty cycle (DCMAX): | ≈ 78% (programmable downward with M pin/line sense) |
| Minimum duty cycle (DCMIN): | Specified (cycle-skipping behavior at DCMIN) |
| Soft-start time: | 10 ms |
| Operating junction temp (TJ): | −40°C to +150°C |
| Thermal resistance (Y package): | θJA ≈ 70 °C/W (free standing), θJC ≈ 2 °C/W |
| Protections: | Over-current, over-voltage (OV) shutdown, under-voltage (UV) detect, hysteretic thermal shutdown, auto-restart, SOA limiting |
| Output power (practical): | Up to ~75 W in open-frame with heat sink |
| Creepage / safety notes: | TO-220 Y package provides increased DRAIN creepage; tab tied to SOURCE avoid tying tab to other nodes when heat-sinking |
Pinout:
| Pin | Name | Function |
|---|---|---|
| 4 | SOURCE (S): |
Output MOSFET source connection for high voltage power return.
Primary side control circuit common and reference point.
|
| 7 | DRAIN (D): |
High voltage power MOSFET drain output. The internal start-
up bias current is drawn from this pin through a switched high-
voltage current source. Internal current limit sense point for drain current.
|
| 1 | CONTROL (C): |
Error amplifier and feedback current input pin for duty cycle control. Internal shunt regulator connection to provide internal bias current during normal operation. It is also used as the connection point for the supply bypass and auto restart/compensation capacitor.
|
| 3 | MULTI-FUNCTION (M): |
Input pin for OV, UV, line feed forward with DC MAX reduction, external set current limit, remote ON/OFF and synchronization.
A connection to SOURCE pin disables all functions on this pin and makes TOPSwitch-FX operate in simple three terminal mode (like TOPSwitch-II).
|
| 5 | FREQUENCY (F): |
Input pin for selecting switching frequency: 132 kHz if connected to SOURCE pin and 66 kHz if connected to CONTROL pin.
|
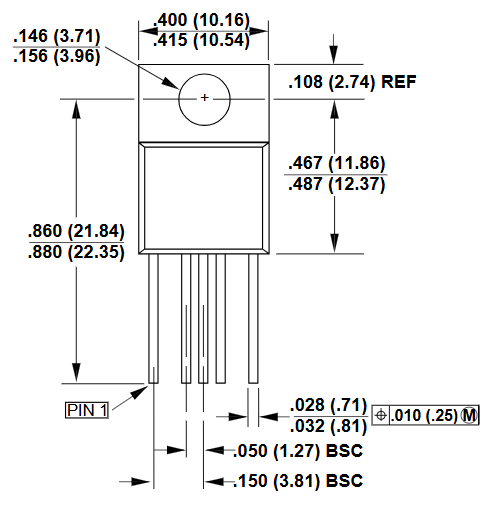
Footprint:
Applications:
- Offline AC-DC flyback adapters and chargers (5–75 W range depending on cooling).
- Standby and auxiliary supplies (PC standby, set-top boxes).
- LED drivers, consumer electronics adapters, telecom standby supplies.
- Any design that benefits from integrated protections, frequency selection, and ECO features for low no-load power.
Packages Include:
- 1x TOP234Y N-channel Power MOSFET Transistor 700V 2.4A TO-220-7B.




