Programmable Timer Module (PTM)
The MC6840 is a programmable subsystem component of the M6800 Family designed to provide variable system time intervals.
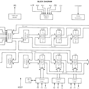
The MC6840 has three 16-bit binary counters, three corresponding control registers, and a status register. These counters are under software control and may be used to cause system interrupts and or generate output signals. The MC6840 may be utilized for such tasks as frequency measurements, event counting, interval measuring, and similar tasks. The device may be used for square wave generation, gated delay signals, single pulses of controlled duration, and pulse width modulation as well as system interrupts.
Features:
- Operates from a Single 5-Volt Power Supply
- Fully TTL Compatible
- Single System Clock Required (Enable)
- Selectable Prescaler on Timer 3 Capable of 4 MHz for the MC6840, 6 MHz for the MC68A40 and 8 MHz for the MC68B40
- Programmable Interrupts (IRQ) Output to MPU
- Readable Down Counter Indicates Counts to Go Until Time-Out
- Selectable Gating for Frequency or Pulse-Width Comparison
- RESET Input
- Three Asynchronous External Clock and Gate Trigger Inputs Internally Synchronized
- Three Maskable Outputs



Reviews
There are no reviews yet.