HT12D 12-Bit Encoder PDIP-18
The HT12D is a CMOS 12-bit decoder IC in an 18-pin PDIP package designed for remote control and data communication applications. It works in tandem with encoder ICs to decode serial data transmitted over RF or infrared links into parallel output signals. Featuring a 12-bit address and data format, this device provides robust address matching and reliable data recovery with minimal external components. The HT12D includes built-in oscillator requirements, data latch enable, and valid transmission indicators, making it suitable for use in security systems, garage door controls, wireless alarms, and other digital communication interfaces where simple and efficient decoding of remote inputs is required.
Features
- 12-bit Decoder IC to be used with HT12E
- Decoded data has 4 Data bits and 8 Address bits (8+4=12-bits)
- Commonly used for RF and IR wireless transmission
- Operating Voltage 5V
- Low stand by current of 0.1uA at Vcc=5V
- Available in 18-pin DIP
PINOUT
| Pin Number | Pin Name | Description |
| 1 to 8 | A0, A1, A2, A3, A4, A5, A6 & A7 | These are the 8-bit address bits, which is used to protect your data. We should set the bits in same pattern on Encoder and Decoder IC to pair them. |
| 9 | Ground/Vss | Connected to the Ground of circuit |
| 10 to 13 | AD0, AD1, AD2 & AD3 | These four pins are used to obtain the data bits by decoding the data from HT12E IC |
| 14 | Input | The Encoded 12 bit output data obtained from HT12E has to be given here |
| 15 and 16 | Oscillator pins 1 & 2 | The IC has a built in oscillator. This oscillator can be used by connecting these two pins through a 1M Resistor |
| 17 | Valid Transmission (VT) | This pin will go high when a data is received. It is not mandatory to use it. |
| 16 | Vcc/Vdd | This pin powers the IC should use only 5V |
Specifications
| Parameter | Value |
|---|---|
| Device Type | 12-bit decoder IC |
| Logic Family | CMOS |
| Address/Data Bits | 12 bits |
| Package | PDIP-18 |
| Operating Voltage | 5V |
| Inputs | Serial data and address pins |
| Outputs | 4-bit parallel data outputs |
| VT Output | Valid Transmission indicator |
| Mounting Type | Through-hole |
Note: Complete Technical Details can be found at the HT12D datasheet given at the end of this page.
Where to use HT12D RF Decoder
The IC HT12D can be used only with its pair HT12E. These two ICs together form an Encoder and Decoder pair. They are 12-bit Encoders/Decoders, meaning they can transmit 12-bit data among them. But your encoder IC should not communicate with someone else’s decoder IC, so an Encoder and Decoder IC pair will share a common Address which is an 8-bit data. So out of the 12-bits 8-bits will be used to set address and the remaining 4-bit will be used to transmit data. With 4-bit data we can create 16 types (2^4 =16) of combinations. These IC’s are commonly used with RF pairs or IR pairs. So if you are working on a project which has to transmit a 4-bit data from one end to other either by wire or wireless then this IC pair will be best suited for you.
How to use a HT12D RF Decoder
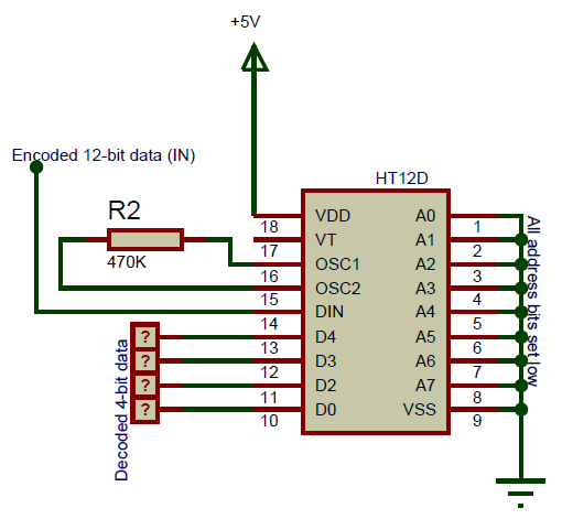
The primary function of HT12D is to decode the 12-bit that is received by the input pin. Since the IC comes with an in-built Oscillator it is very easy to make this IC work. The IC is should be powered by 5V (pin 18) and the ground pin (pin 9) is grounded. For decoding a data the IC will requires an oscillator, luckily this IC has one in-built. We just have to connect the OSC1 and OSC2 (pin 15 & 16) through a 470K resistor to invoke it. The 4-bit data that is received can be obtained on pins AD0 to AD1 and an address of 8-bit has to be set using the pins A0 to A7. It is very important that your Decoder should have the same address of that of the encoder. A basic circuit diagram for the HT12D IC is shown below
In the above circuit I have set the 8-bit address data as 0b00000000, by connecting all address pins to ground. If you want security you can connect any of the 8 pins to 5V to make it high. The complete IC is powered by a +5V supply which could be obtained from a voltage regulator like 7805.The pins AD3, AD2, AD1 and AD0 are connected to any Digital IC that can read the 4-bit data. They can also be connected to LED to physically view the received data. In this the 4-bit output data is just shown as “?” since we do not know what the Encoder IC has sent to the Input pin. If any valid data is received they can be obtained from these four pins.
Applications
- Used to convert Parallel 4-bit data to series data
- Highly useful in wireless communication projects involving RF or IR
- Remote controlled systems like garage doors, Car alarm system, Car door controls etc.
- Can be used in Home automation for short range remote switching
- Safety systems like Burglar alarm system, Smoke or Fire alarm system etc.
Documents
| Datasheet | HT12D |
| CAD Files | Download |



Reviews
There are no reviews yet.